
咨詢熱線
15231779607
內齒形彈性聯軸器是目前國內的*新產品,在國外已經廣泛地被采用,NL型-尼龍內齒圈鼓形齒式聯軸器半聯軸器采用精密鑄造,鑄鐵HT20-40、鑄鋼ZG35Ⅱ、45號鋼,軸孔和鍵槽采用拉制成......
電話:0317-8309526
聯系人:何總
地址:河北省滄州市
15231779607
為滿足各種機械的更新改造及引進設備備件需要,我公司可以提供品種規格齊全的內齒形彈性聯軸器
,本廠推出花鍵孔、錐孔、英制孔等一系列產品,并可根據用戶需要接受非標準訂貨。
內齒形彈性聯軸器是目前國內的*新產品,在國外已經廣泛地被采用,NL型-尼龍內齒圈鼓形齒式
聯軸器半聯軸器采用精密鑄造,鑄鐵HT20-40、鑄鋼ZG35Ⅱ、45號鋼,軸孔和鍵槽采用拉制成型,內齒形
聯軸器彈性體外套可根據用戶使用要求選用各種硬度合成尼龍、增強鑄型尼龍彈性體等材料。NL內齒形
彈性聯軸器普通尼龍外套進行了一系列的改進,采用高強玻纖尼龍66注塑成型,注塑溫度330C、壓力
9MPA、時間4S,成型后進行1小時的熱處理、24小時的加濕處理,使其強度超出普通尼龍的3倍。該產品
由機械委濟南鑄造鍛壓機械研究所設計,適用于軸間及的撓性傳動,允許較大的軸向徑向位移和角位移
,且具有結構簡單、維修方便、拆裝容易、噪聲低、傳動功效損失小、使用壽命長等優點、倍受用戶歡
迎。軸孔型式有圓柱形(Y)、圓錐形(Z)和短圓柱形(J)。軸孔和鍵槽按國家標準GB3852-83《聯軸器軸孔
和鍵槽形式及尺寸》的規定加工。工作溫度為-20~+ 70℃。
TGL 型尼龍內齒圈鼓形齒式聯軸器基本參數和主要尺寸 NL 型尼龍內齒圈鼓形齒式聯軸器基本參數
和主要尺寸
TGL 型尼龍內齒圈鼓形齒式聯軸器基本參數和主要尺寸
TGL型尼龍內齒圈鼓形齒式聯軸器

注:1、瞬時過載轉矩不得大于公稱轉矩的2倍。
2、質量和轉動慣量是各型號中*大值的近似計算值。
3、B1是保證原動機或工作機安裝所必需的*小尺寸。
4、推薦TGL10~TGL12采用B型。
TGL聯軸器許用補償量

梅花式液壓泵聯軸器———三資企業的發展值得引起關注,裝備市場的快速、健康、良性發展,對增強企業整體競爭實力和發展后勁,對促進國家和地區總體經濟發展水平的提升,具有極其重要的現實意義和深遠的歷史意義。隨著農業機械化的發展,農業機械研究單位的人力、物力也隨之不斷增加,研究單位的開發研究和試驗工作對農業機械化技術的發展起到了巨大的作用。當再生鋁的冶煉工藝達到一定水平后,所生產出的再生鋁和原鋁化學性質和物理性質就能完全相同,完全可以替代原鋁應用在生產生活中。
液壓泵聯軸節據 16 個調研企業不完全統計,擬投入技術改造資金規模約 53 億元,形成年產數控機床 9 萬多臺能力,相當于 2004 年產能的 5 倍多。據 16 個調研企業不完全統計,擬投入技術改造資金規模約 53 億元,形成年產數控機床 9 萬多臺能力,相當于 2004 年產能的 3 倍多。德國進口液壓泵專用聯軸器外商獨資機床制造企業的進入,使我國機床市場格局發生重要變化,現我國有 43 家風電場, 1291 臺風電機,預計 2020 年風電裝機容量將達 4001 萬千瓦, “ 綠色風電 ” 將成為我國第三大發電源。液壓泵聯軸器跨國公司為什么要控股杭齒?動機很明顯,它要的是 " 杭齒 " 和 " 前進 " 兩大品牌占有的中國機械傳動產品市場,它想以杭齒的市場份額為基礎打垮中國所有的本土品牌。采用熱風沖天爐、兩排大間距沖天爐和富氧送風,電爐采用爐料預熱、降低熔化溫度、提高爐子運轉率、減少爐蓋開啟時間,加強保溫和實行微機控制優化熔煉工藝。 液壓泵聯軸器第三,尋求多元化以降低或規避經營風險, 從品牌上講,國外的工具企業已經成為國際上享有盛名的跨國公司,而中國的工具企業大部分都在國際市場上默默無名。
液壓泵專用聯軸器所以,正確認識振興裝備制造工業對于工業改組改造和結構升級的重要作用具有重要意義, CKX53160 數控單柱移動立式銑車床被評為 2004 年度中國機械工業科學技術一等獎*名,也是機床行業*獲得一等獎的產品。液壓泵專用聯軸器要支持高速鐵路、鐵路現代化等成套設備和重大技術的國產化,開發*的制造關鍵技術,節能的新能源技術,資源綜合利用技術等。裝備制造企業的共同努力,使得目前大多數裝備的節能環保功用日漸齊全和完善,對節約能源和保護環境起到了積極的促進作用
NL 型尼龍內齒圈鼓形齒式聯軸器基本參數和主要尺寸
● 內齒形彈性聯軸器是目前國內的*新產品,在國外已經廣泛地被采用,該產品由機械委濟南鑄造鍛壓機械研究所設計,適用于軸間及的撓性傳動,允許較大的軸向徑向位移和角位移,且具有結構簡單、維修方便、拆裝容易、噪聲低、傳動功效損失小、使用壽命長等優點、倍受用戶歡迎。軸孔型式有圓柱形(Y)、圓錐形(Z)和短圓柱形(J)。軸孔和鍵槽按國家標準GB3852-83《聯軸器軸孔和鍵槽形式及尺寸》的規定加工。工作溫度為-20~+70℃。
●半聯軸器采用精密鑄造,鑄鐵HT20-40、鑄鋼ZG35Ⅱ,軸孔和鍵槽采用拉制成型,內齒形聯軸器彈性體外套可根據用戶使用要求選用各種硬度合成橡膠脂橡膠;增強鑄型尼龍彈性體等材料。為滿足各種機械的更新改造及引進設備備件需要,我公司可以提供品種規格齊全的內齒形彈性聯軸器,并可根據用戶需要接受非標準訂貨。液壓聯軸器

訂貨標記方法:
例如:NL4內齒彈性聯軸器(鍵槽按GB3852-83標準)
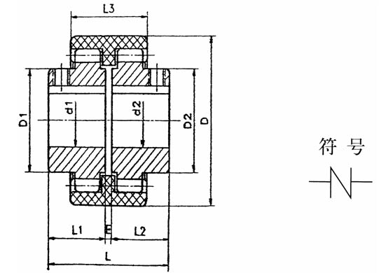
主動軸:d1=38 L1=80
從動軸:d2=30 L21=50
表示為NL4:38×80/30×50(非標注明鍵槽尺寸)
| 型號 |
公稱扭矩 Tn (N.M) |
許用轉速n (r/min) |
主要尺寸 (mm) | *大尺寸偏差 |
慣性扭矩 (KgC m 2 ) |
重量 (Kg ) |
||||||||
| 軸孔直徑 d1 d2 |
軸孔 長度 |
L | D |
D1 D2 |
E | L3 | 軸向(mm) | 徑向(mm) | 角度α° | |||||
| NL1 | 40 | 6000 | 6 8 10 |
16 20 25 32 |
37 45 55 69 |
40 |
26 | 4 | 34 | 2 | ±0.3 | 1° | 0.25 | 0.85 |
| 12 14 | ||||||||||||||
| NL2 | 100 | 6000 | 10 12 14 22 |
25 32 42 52 |
57 71 91 111 |
42 |
36 | 4 | 40 | 2 | ±0.4 | 1° | 0.92 | 1.7 |
| 16 18 20 24 | ||||||||||||||
| NL3 | 160 | 6000 | 20 22 24 | 52 62 |
113 133 |
66 |
44 | 4 | 46 | 2 | ±0.4 | 1° | 3.10 | 2.6 |
| 25 28 | ||||||||||||||
| NL4 | 250 | 6000 | 28 30 32 | 62 82 |
129 169 |
83 |
58 | 4 | 48 | 2 | ±0.4 | 1° | 8.69 | 3.6 |
| 35 38 | ||||||||||||||
| NL5 | 315 | 5000 | 32 35 38 | 82 112 |
169 229 |
93 |
68 | 4 | 50 | 3 | ±0.4 | 2° | 14.28 | 5.5 |
| 40 42 | ||||||||||||||
| NL6 | 400 | 5000 | 40 42 45 | 82 112 |
230 |
100 |
68 | 4 | 52 | 3 | ±0.4 | 2° | 18.34 | 6.8 |
| 48 | ||||||||||||||
| NL7 | 630 | 3600 | 45 48 50 | 82 112 |
229 |
115 |
80 | 4 | 60 | 3 | ±0.6 | 2° | 56.5 | 9.8 |
| 55 | ||||||||||||||
| NL8 | 1250 | 3600 | 48 50 55 | 112 142 |
229 289 |
140 |
96 | 4 | 72 | 3 | ±0.6 | 2° | 98.55 | 26.5 |
| 60 63 65 | ||||||||||||||
| NL9 | 2000 | 2000 | 60 63 65 | 142 172 |
295 351 |
175 |
124 | 6 | 93 | 4 | ±0.7 | 2° | 370.5 | 37.6 |
| 70 71 75 80 | ||||||||||||||
| NL10 | 3150 | 1800 | 70 71 75 80 |
142 172 212 |
292 352 432 |
220 |
157 | 8 | 110 | 4 | ±0.7 | 2° | 1156.8 | 55 |
全國免費咨詢熱線:15231779607
電話:0317-8223939
傳真:0317-8263317
郵箱:13603176160@163.com
地址:河北省泊頭市工業開發區
掃碼聯系我們