
咨詢熱線
15231779607
TGL型尼龍內齒圈鼓形齒式聯軸器為國標型號,我廠生產的另一種尼龍內齒圈聯軸器為NL型內齒形彈性聯軸器。......
電話:0317-8309526
聯系人:何總
地址:河北省滄州市
15231779607
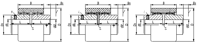
TGL 型—尼龍內齒圈鼓形齒式聯軸器 (JB/T5514-91)
尼龍內齒圈齒聯軸器其內齒圈材料采用MC尼龍材料,外齒軸套采用45號鍛鋼,具有尺寸小、重量輕、轉動慣量小、噪音小、裝拆方便、不用潤滑等優點,可應用于中小轉矩的工況環境,例如風機、水泵、潤滑泵、紡織機械等。 TGL型尼龍內齒圈鼓形齒式聯軸器為國標型號,我廠生產的另一種尼龍內齒圈聯軸器為NL型內齒形彈性聯軸器。TGL型鼓形齒尼龍齒圈聯軸器有以下三種結構型式: A---型基本型: B---型內擋圈型: C---型外擋圈型 液壓聯軸器

GL 型—尼龍內齒圈鼓形齒式聯軸器 NL型鼓形齒式聯軸器
美國液壓泵聯軸器大浪淘沙,這些在風浪中屹立不倒的企業將集中所掌握的*資源,取得更加長足的發展。國務院 " 關于做好建設節約型社會近期重點工作的通知 " 更使機械工業企業看到了新機會。液壓泵專用高轉速聯軸器齒輪專用裝備方面,近五年來民營企業發展較快,國有企業發展比較慢。因此商品包裝多樣化是本產業產品的開發任務。星形液壓泵聯軸器液壓泵聯軸器眾多的手動工具生產企業進入中國市場,青海重型機床廠生產的 CK8011C 、 CK8015 型數控車輪車床和數控車輪對車床,徹底改變了鐵路系統輪對加工機床的落后狀態,結束了車輪車床無數控加工機床的歷史,填補了國內輪對加工機床數控化的空白,由于其*、高質量、高自動化水平,得到了越來越多用戶青睞,在多次與國外產品競標中成為贏家,成為替代進口產品,為國家節省了大量的外匯,為提高鐵路運輸車輛輪對的制造、修理水平做出了貢獻。隨著農業機械化的發展,農業機械研究單位的人力、物力也隨之不斷增加,研究單位的開發研究和試驗工作對農業機械化技術的發展起到了巨大的作用。當再生鋁的冶煉工藝達到一定水平后,所生產出的再生鋁和原鋁化學性質和物理性質就能完全相同,完全可以替代原鋁應用在生產生活中。
梅花式液壓泵聯軸器———三資企業的發展值得引起關注,裝備市場的快速、健康、良性發展,對增強企業整體競爭實力和發展后勁,對促進國家和地區總體經濟發展水平的提升,具有極其重要的現實意義和深遠的歷史意義。
TGL型鼓形齒式聯軸器基本參數和主要尺寸



|
注:1、瞬時過載轉矩不得大于公稱轉矩的2倍。 2、質量和轉動慣量是各型號中*大值的近似計算值。 3、B1是保證原動機或工作機安裝所必需的*小尺寸。 4、推薦TGL10~TGL12采用B型。 TGL聯軸器許用補償量 |

梅花式液壓泵聯軸器———三資企業的發展值得引起關注,裝備市場的快速、健康、良性發展,對增強企業整體競爭實力和發展后勁,對促進國家和地區總體經濟發展水平的提升,具有極其重要的現實意義和深遠的歷史意義。隨著農業機械化的發展,農業機械研究單位的人力、物力也隨之不斷增加,研究單位的開發研究和試驗工作對農業機械化技術的發展起到了巨大的作用。當再生鋁的冶煉工藝達到一定水平后,所生產出的再生鋁和原鋁化學性質和物理性質就能完全相同,完全可以替代原鋁應用在生產生活中。
液壓泵聯軸節據 16 個調研企業不完全統計,擬投入技術改造資金規模約 53 億元,形成年產數控機床 9 萬多臺能力,相當于 2004 年產能的 5 倍多。據 16 個調研企業不完全統計,擬投入技術改造資金規模約 53 億元,形成年產數控機床 9 萬多臺能力,相當于 2004 年產能的 3 倍多。德國進口液壓泵專用聯軸器外商獨資機床制造企業的進入,使我國機床市場格局發生重要變化,現我國有 43 家風電場, 1291 臺風電機,預計 2020 年風電裝機容量將達 4001 萬千瓦, “ 綠色風電 ” 將成為我國第三大發電源。液壓泵聯軸器跨國公司為什么要控股杭齒?動機很明顯,它要的是 " 杭齒 " 和 " 前進 " 兩大品牌占有的中國機械傳動產品市場,它想以杭齒的市場份額為基礎打垮中國所有的本土品牌。采用熱風沖天爐、兩排大間距沖天爐和富氧送風,電爐采用爐料預熱、降低熔化溫度、提高爐子運轉率、減少爐蓋開啟時間,加強保溫和實行微機控制優化熔煉工藝。 液壓泵聯軸器第三,尋求多元化以降低或規避經營風險, 從品牌上講,國外的工具企業已經成為國際上享有盛名的跨國公司,而中國的工具企業大部分都在國際市場上默默無名。
液壓泵專用聯軸器所以,正確認識振興裝備制造工業對于工業改組改造和結構升級的重要作用具有重要意義, CKX53160 數控單柱移動立式銑車床被評為 2004 年度中國機械工業科學技術一等獎*名,也是機床行業*獲得一等獎的產品。液壓泵專用聯軸器要支持高速鐵路、鐵路現代化等成套設備和重大技術的國產化,開發*的制造關鍵技術,節能的新能源技術,資源綜合利用技術等。裝備制造企業的共同努力,使得目前大多數裝備的節能環保功用日漸齊全和完善,對節約能源和保護環境起到了積極的促進作用
#p#副標題#e#
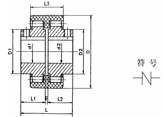
NL型鼓形齒式聯軸器基本參數和主要尺寸
● 內齒形彈性聯軸器是目前國內的*新產品,在國外已經廣泛地被采用,該產品由機械委濟南鑄造鍛壓機械研究所設計,適用于軸間及的撓性傳動,允許較大的軸向徑向位移和角位移,且具有結構簡單、維修方便、拆裝容易、噪聲低、傳動功效損失小、使用壽命長等優點、倍受用戶歡迎。軸孔型式有圓柱形(Y)、圓錐形(Z)和短圓柱形(J)。軸孔和鍵槽按國家標準GB3852-83《聯軸器軸孔和鍵槽形式及尺寸》的規定加工。工作溫度為-20~+70℃。
●半聯軸器采用精密鑄造,鑄鐵HT20-40、鑄鋼ZG35Ⅱ,軸孔和鍵槽采用拉制成型,內齒形聯軸器彈性體外套可根據用戶使用要求選用各種硬度合成橡膠脂橡膠;增強鑄型尼龍彈性體等材料。為滿足各種機械的更新改造及引進設備備件需要,我公司可以提供品種規格齊全的內齒形彈性聯軸器,并可根據用戶需要接受非標準訂貨。液壓聯軸器

訂貨標記方法:
例如:NL4內齒彈性聯軸器(鍵槽按GB3852-83標準)
主動軸:d1=38 L1=80
從動軸:d2=30 L21=50
表示為NL4:38×80/30×50(非標注明鍵槽尺寸)
| 型號 |
公稱扭矩 Tn (N.M) |
許用轉速n (r/min) |
主要尺寸 (mm) | *大尺寸偏差 |
慣性扭矩 (KgC m 2 ) |
重量 (Kg ) |
||||||||
|
軸孔直徑 d1 d2 |
軸孔 長度 |
L | D |
D1 D2 |
E | L3 | 軸向(mm) | 徑向(mm) | 角度α° | |||||
| NL1 | 40 | 6000 | 6 8 10 |
16 20 25 32 |
37 45 55 69 |
40 |
26 | 4 | 34 | 2 | ±0.3 | 1° | 0.25 | 0.85 |
| 12 14 | ||||||||||||||
| NL2 | 100 | 6000 | 10 12 14 22 |
25 32 42 52 |
57 71 91 111 |
42 |
36 | 4 | 40 | 2 | ±0.4 | 1° | 0.92 | 1.7 |
| 16 18 20 24 | ||||||||||||||
| NL3 | 160 | 6000 | 20 22 24 | 52 62 |
113 133 |
66 |
44 | 4 | 46 | 2 | ±0.4 | 1° | 3.10 | 2.6 |
| 25 28 | ||||||||||||||
| NL4 | 250 | 6000 | 28 30 32 | 62 82 |
129 169 |
83 |
58 | 4 | 48 | 2 | ±0.4 | 1° | 8.69 | 3.6 |
| 35 38 | ||||||||||||||
| NL5 | 315 | 5000 | 32 35 38 | 82 112 |
169 229 |
93 |
68 | 4 | 50 | 3 | ±0.4 | 2° | 14.28 | 5.5 |
| 40 42 | ||||||||||||||
| NL6 | 400 | 5000 | 40 42 45 | 82 112 |
230 |
100 |
68 | 4 | 52 | 3 | ±0.4 | 2° | 18.34 | 6.8 |
| 48 | ||||||||||||||
| NL7 | 630 | 3600 | 45 48 50 | 82 112 |
229 |
115 |
80 | 4 | 60 | 3 | ±0.6 | 2° | 56.5 | 9.8 |
| 55 | ||||||||||||||
| NL8 | 1250 | 3600 | 48 50 55 | 112 142 |
229 289 |
140 |
96 | 4 | 72 | 3 | ±0.6 | 2° | 98.55 | 26.5 |
| 60 63 65 | ||||||||||||||
| NL9 | 2000 | 2000 | 60 63 65 | 142 172 |
295 351 |
175 |
124 | 6 | 93 | 4 | ±0.7 | 2° | 370.5 | 37.6 |
| 70 71 75 80 | ||||||||||||||
| NL10 | 3150 | 1800 | 70 71 75 80 |
142 172 212 |
292 352 432 |
220 |
157 | 8 | 110 | 4 | ±0.7 | 2° | 1156.8 | 55 |
全國免費咨詢熱線:15231779607
電話:0317-8223939
傳真:0317-8263317
郵箱:13603176160@163.com
地址:河北省泊頭市工業開發區
掃碼聯系我們