
咨詢熱線
15231779607
鼓形齒式聯軸器齒式聯軸器在工作時,兩軸產生相對角位移,內外齒的齒面周期性作軸向相對滑動,必然形成齒面磨損和功率消耗,因此,齒式聯軸器需在有良好和密封的狀態下工作。......
電話:0317-8309526
聯系人:何總
地址:河北省滄州市
15231779607

GICL型-鼓形齒式聯軸器 (JB/T 8845.3-2001)替代 (JB/T 8845.3(2)-1999)
I型-密封端為分離型,齒間距較大,可以允許較大的徑向位移,可與Y、J1、Z1型軸伸聯接。
Ⅱ型-密封端為整體型,齒間距小,相對允許徑向位移小,結構緊湊,轉動慣量小,可與Y、J1型軸伸聯接。
鼓形齒式聯軸器齒式聯軸器在工作時,兩軸產生相對角位移,內外齒的齒面周期性作軸向相對滑動,必然形成齒面磨損和功率消耗,因此,齒式聯軸器需在有良好和密封的狀態下工作。齒式聯軸器徑向尺寸小,承載能力大,常用于低速重載工況條件的軸系傳動,高精度并經動平衡的齒式聯軸器可用于高速傳動,如燃汽輪機的軸系傳動。由于鼓形齒式聯軸器角向補償大于直齒式聯軸器,國內外均廣泛采用鼓形齒式聯軸器。鼓形齒式聯軸器屬于剛撓性聯軸器,齒式聯軸器是由齒數相同的內齒圈和帶外齒的凸緣半聯軸器等零件組成。外齒分為直齒和鼓形齒兩種齒形,所謂鼓形齒即為將外齒制成球面,球面中心在齒輪軸線上,齒側間隙較一般齒輪大,鼓形齒聯軸器可允許較大的角位移(相對于直齒聯軸器),可改善齒的接觸條件,提高傳遞轉矩的能力,延長使用壽命。有角位移時沿齒寬的接觸狀態。具有徑向、軸向和角向等軸線偏差補償能力,具有結構緊湊、回轉半徑小、承載能力大、傳動效率高、噪聲低及維修周期長等優點,特別適用于低速重載工況,如冶金、礦山、起重運輸等行業、也適用于石油、化工、通用機械等各類機械的軸系傳動. 鼓形齒式聯軸器的特點(與直齒式聯軸器相比有以下特點) :1、承載能力強。在相同的內齒套外徑和聯軸器*大外徑下,鼓形齒式聯軸器的承載能力平均比直齒式聯軸器提高15~20%2、角位移補償量大。當徑向位移等于零時,直齒式聯軸器的許用角位移為1o,而鼓形齒式聯軸器的許用角位移為1o30',提高50%。在相同的模數、齒數、齒寬下,鼓形齒比直齒允許的角位移大,3、鼓形齒面使內、外齒的接觸條件得到改善,避免了在角位移條件下直齒齒端棱邊擠壓,應力集中的弊端,同時改善了齒面摩擦、磨損狀況,降低了噪聲,維修周期長。4、外齒套齒端呈喇叭形狀,使內、外齒裝拆十分方便。5、傳動效率高達99.7%。 基于經上特點,目前,國內外已普遍以鼓形齒替代直齒式聯軸器。
我公司生產的鼓形齒式聯軸器品種規格齊全,型號有:GⅠCL、GⅠCLZ型—鼓形齒式聯軸器 (JB/T 8845.3 — 2001)
GⅡCL、GⅡCLZ型—鼓形齒式聯軸器 (JB/T 8845.2 — 2001)
GCLD 型—鼓形齒式聯軸器 (JB/T 8845.1 — 2001)
WGP 型—帶制動盤鼓形齒式聯軸器( JB/T7001 — 93)
WGC 型—垂直安裝鼓形齒式聯軸器(JB/T7002 — 93)
WGZ 型—帶制動輪鼓形齒式聯軸器(JB/T7003 — 93)
WGT 型—接中間套鼓形齒式聯軸器(JB/T7004 — 93)
TGL 型—尼龍內齒圈鼓形齒式聯軸器 ( JB/T5514 — 91)
WGJ 型—接中間軸鼓形齒式聯軸器(JB/T8821 — 1998)
NGCL 型—帶制動輪型( JB/ZQ4644 — 97)
NGCLZ 型—帶制動輪型 (JB/ZQ4645 — 97)
WG 型—帶制動輪型 (JB/ZQ4186 — 97)
CL型齒式連軸器 (JB/ZQ 4218-86)
CLZ型齒式連軸器 (JB/ZQ 4218-86)
NL 型—尼龍內齒圈鼓形齒式聯軸器 (DB 3202-87)
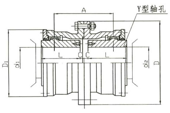
GICL型-鼓形齒式聯軸器基本參數和主要尺寸

|
型號
|
公稱扭矩Tn(N.m)
|
許用轉速[n](r/min)
|
軸孔直徑d1,d2,dz
|
軸孔長度
|
D
|
C
|
C1
|
C2
|
轉動慣量
Kg.m2 |
重量
Kg |
|
|
Y
|
Z1,J1
|
||||||||||
|
L
|
|||||||||||
| GICL1 | 630 | 4000 | 16 18 19 | 42 | - | 125 | 20 | - | - | 0.009 | 5.9 |
| 20 22 24 | 52 | 38 | - | 24 | |||||||
| 25 28 | 62 | 44 | 10 | - | 19 | ||||||
| 30 32 35 38 | 82 | 60 | 2.5 | 15 | 22 | ||||||
| GICL2 | 1120 | 4000 | 25 28 | 62 | 44 | 144 | 10.5 | - | 29 | 0.02 | 9.7 |
| 30 32 35 38 | 82 | 60 | 12.5 | 30 | |||||||
| 40 42 45 48 | 112 | 84 | 2.5 | 13.5 | 28 | ||||||
| GICL3 | 2240 | 4000 | 30 32 35 38 | 82 | 60 | 174 | 3 | 24.5 | 25 | 0.047 | 17.2 |
| 40 42 45 48 50 55 56 | 112 | 84 | 17 | 28 | |||||||
| 60 | 142 | 107 | 35 | ||||||||
| GICL4 | 3600 | 4000 | 32 35 38 | 82 | 60 | 196 | 14 | 37 | 32 | 0.091 | 24.9 |
| 40 42 45 48 50 55 56 | 112 | 84 | 28 | ||||||||
| 60 63 65 70 | 142 | 107 | 3 | 17 | 35 | ||||||
| GICL5 | 5000 | 3300 | 40 42 45 48 50 55 56 | 112 | 84 | 224 | 3 | 25 | 28 | 0.167 | 38 |
| 60 63 65 70 71 75 | 142 | 107 | 20 | 35 | |||||||
| 80 | 172 | 132 | 22 | 43 | |||||||
| GICL6 | 7100 | 3000 | 48 50 55 56 | 112 | 84 | 241 | 6 | 35 | 35 | 0.267 | 48.2 |
| 60 63 65 70 71 75 | 142 | 107 | 20 | 35 | |||||||
| 80 85 90 | 172 | 132 | 4 | 22 | 43 | ||||||
| GICL7 | 10000 | 2680 | 60 63 65 70 71 75 | 142 | 107 | 260 | 4 | 35 | 35 | 0.453 | 68.9 |
| 80 85 90 95 | 172 | 132 | 22 | 43 | |||||||
| 100 | 212 | 167 | 48 | ||||||||
| GICL8 | 14000 | 2500 | 65 70 71 75 | 142 | 107 | 282 | 5 | 35 | 35 | 0.646 | 83.3 |
| 80 85 90 95 | 172 | 132 | 22 | 43 | |||||||
| 100 110 | 212 | 167 | 48 | ||||||||
| GICL9 | 18000 | 2350 | 70 71 75 | 142 | 107 | 314 | 10 | 45 | 45 | 1.036 | 110 |
| 80 85 90 95 | 172 | 132 | |||||||||
| 100 110 120 125 | 212 | 167 | 5 | 22 | 43 | ||||||
| 49 | |||||||||||
| GICL10 | 31500 | 2150 | 80 85 90 95 | 172 | 132 | 346 | 5 | 43 | 43 | 1.88 | 157 |
| 100 110 120 125 | 212 | 167 | 22 | 49 | |||||||
| 130 140 | 252 | 202 | 29 | 54 | |||||||
| GICL11 | 40000 | 1880 | 100 110 120 125 | 212 | 167 | 380 | 6 | 29 | 49 | 3.28 | 217 |
| 130 140 150 | 252 | 202 | 54 | ||||||||
| 160 | 302 | 242 | 64 | ||||||||
| GICL12 | 56000 | 1680 | 120 125 | 212 | 167 | 442 | 6 | 57 | 57 | 5.08 | 305 |
| 130 140 150 | 252 | 202 | 29 | 55 | |||||||
| 160 170 180 | 302 | 242 | 68 | ||||||||
| GICL13 | 80000 | 1530 | 140 150 | 252 | 202 | 482 | 7 | 54 | 57 | 10.06 | 419 |
| 160 170 180 | 302 | 242 | 32 | 70 | |||||||
| 190 200 | 352 | 282 | 80 | ||||||||
| GICL14 | 112000 | 1300 | 160 170 180 | 302 | 242 | 520 | 8 | 42 | 70 | 16.774 | 594 |
| 190 200 220 | 352 | 282 | 32 | 80 | |||||||
| GICL15 | 160000 | 1180 | 190 200 220 | 352 | 282 | 580 | 10 | 34 | 80 | 26.55 | 783 |
| 140 150 | 410 | 330 | 38 | - | |||||||
| GICL16 | 250000 | 1000 | 200 220 | 352 | 282 | 680 | 10 | 58 | 80 | 52.22 | 1134 |
| 240 250 260 | 410 | 330 | 38 | - | |||||||
| 280 | 470 | 380 | 38 | ||||||||
| GICL17 | 280000 | 980 | 220 | 352 | 282 | 720 | 10 | 74 | 80 | 69 | 1305 |
| 240 250 260 | 410 | 330 | |||||||||
| 280 300 | 470 | 380 | 39 | - | |||||||
| GICL18 | 355000 | 900 | 240 250 260 | 410 | 330 | 775 | 10 | 46 | - | 96.16 | 1626 |
| 280 300 320 | 470 | 380 | 41 | - | |||||||
| GICL19 | 450000 | 830 | 260 | 410 | 330 | 815 | 10 | 67 | - | 115.6 | 1773 |
| 280 300 320 | 470 | 380 | 41 | ||||||||
| 340 | 550 | 450 | |||||||||
| GICL20 | 500000 | 790 | 280 300 320 | 470 | 380 | 855 | 13 | 44 | - | 167.41 | 2263 |
| 340 360 | 550 | 450 | |||||||||
| GICL21 | 630000 | 750 | 300 320 | 470 | 380 | 915 | 13 | 59 | - | 215.7 | 2593 |
| 340 360 380 | 550 | 450 | 44 | ||||||||
全國免費咨詢熱線:15231779607
電話:0317-8223939
傳真:0317-8263317
郵箱:13603176160@163.com
地址:河北省泊頭市工業開發區
掃碼聯系我們